☰
×
Home
Register
Log in
MY LIST
(0)
Contact
Products
By Category
By Industry
Line Card
Machinery
Industrial Fluids
CART
(0)
You have no items in your shopping cart.
Trouble Finding what you need? We are only One Call Away
262-251-4020
Search
Home
/
Traditional Search
/
Cutting Tools
/
Indexable Tools
/
Turning
/
Insert
/
Round
RNGA43 CC-30 Romay RNGA120400 CC-30 Round Negative Ceramic 0.5000 12.70mm Radius Finishing, Semi Finishing
Part Number: ROMRNGA120400 CC-30 ISO: RNGA120400 CC-30 ANSI:RNGA43 CC-30
Tool Cross-Reference
Looking for alternatives…
Need Assistance or Service? Please call 262-251-4020
Manufacturer:
SKU:
1103062
Vendor:
Sussex Tool and Supply
Call (262) 251-4020 for pricing
This product has a minimum quantity of 10
Qty:
10
20
30
40
50
60
70
80
90
100
Add to cart
Add to My List
Compare
Email a friend
Share This:
Description
ROMAY RNGA120400 CC-30 Negative Round Insert Our black ceramic grade for cutting high hardness metals with Rc 55 and above, chilled cast iron and powdered metals. This insert has replaced some grinding operations in hardened steel (Rc 60-62). Available with hole for pinlock.
Products specifications
Attribute name
Attribute value
General Information
Shipping State
MICHIGAN
Made In USA
NO
Cutter Type
Insert
Insert/Tool
INSERT
Cut Type
Finishing, Semi Finishing
Insert Style
RN
Insert Shape/Cutter Pocket Shape
Round
Insert Type
Negative
Dimensions & Sizing
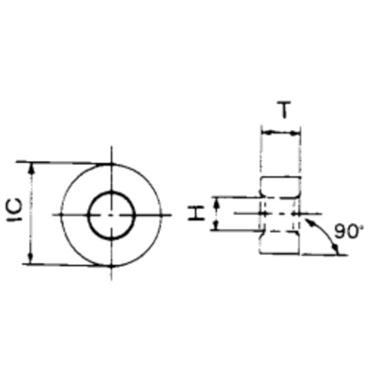
Insert Size Ic
12 "43"
Geometry & Angles
Corner Radius
0.5000 12.70MM
Performance & Capacity
Cut Rating
>60HRC Steel, Gray Iron
Materials & Finish
Cutting Edge Mat
Ceramic
Grade
CC-30
Compatibility & Fit
Insert Fits
Round
Only registered users can write reviews
Loading...